欢迎访问天津恩诺仪表科技有限公司官网,我们将竭诚为您服务!
商务洽谈热线:
18822437128
网站首页
关于我们
产品中心
应用案例
客户服务
新闻中心
联系我们
产品中心
products center
物位测量与远程管理系统
无源核子料位计系列
120G调频雷达物位计系列
80GHz调频雷达物位计系列
26GHz调频雷达物位计系列
导波雷达物位计系列
超声波物位计系列
射频导纳物位开关系列
音叉物位开关系列
阻旋式料位计系列
重锤料位计系列
传感器测量与分析诊断系统
无线蓝牙振动传感器系列
智能振动传感器系列
无线振动传感器系列
转速传感器系列
电涡流传感器系列
智能振动开关系列
三参数组合探头系列
四参数组合探头系列
低频一体化振动变送器
状态监视仪表系列
行程变送器系列
校验仪系列
其他实验设备
可编程直流电子负载系列
商务洽谈热线:
18822437128
当前位置:
首页
>
产品中心
>
三参数组合探头系列
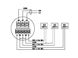
三参数组合探头EN500B
恩诺仪表科技
关于我们
客户服务
联系我们
产品中心
无源核子料位计系列
120G调频雷达物位计系列
80GHz调频雷达物位计系列
26GHz调频雷达物位计系列
导波雷达物位计系列
应用案例
电力领域应用
化工领域应用
轨道客车应用
制药领域应用
冶金领域应用
新闻中心
公司新闻
行业动态
技术常识
关注我们的微信号
CopyRight © 2021-2022
天津恩诺仪表科技有限公司
All Rights Reserved.
津ICP备2021003707号-1
技术支持:
博赢网络